连接主电源 (CN1)

常规

本产品的漏电电流大于 3.5mA。如果保护接地断开,在接触外壳时,可能产生危险的接触电流。

DangerElectrical_Color.gifDanger_Color.gif危险

接地不充分

o请使用截面至少为 10 mm2(AWG 6)的地线,或者使用截面与电源线相同的两根地线。

o请遵守所有关于驱动系统接地的适用规章制度。

o请在施加电压之前将驱动系统接地。

o不要使用线管作为地线,而应将地线装在导管内。

o不要使用电缆屏蔽层作为保护性接地导线。

如果不遵守这些说明,将会导致死亡或严重伤害。

Warning_Color.gif警告

过流保护不足

o请使用“技术参数”一章中所述的外部熔断器。

o不要将本产品连接在其额定限制短路电流 (SCCR) 超过“技术参数”一章中所述的最大允许值。

不遵循上述说明可能导致人员伤亡或设备损坏。

Warning_Color.gif警告

电源电压不正确

在接通以及配置本产品之前,应先确定其允许使用的电源电压。

不遵循上述说明可能导致人员伤亡或设备损坏。

本产品专用于工业领域,只允许在牢固连接后方可进行操作。

连接设备之前检查允许的电路配置,参见章节 输出级数据 - 一般说明

电缆规格

屏蔽:

-

双绞线:

-

PELV:

-

电缆结构:

导线必须具有足够大的截面,以便能够在故障情况下触发电源接头上的熔断器。

最大电缆长度:

-

接线端子CN1特性

特性

单位

LXM32•U45, LXM32•U60, LXM32•U90, LXM32•D12, LXM32•D18, LXM32•D30

LXM32•D72

接口横截面

mm2

(AWG)

0.75 ... 5.3

(18 ... 10)

0.75 ... 10

(18 ... 8)

接线端子螺钉的拧紧力矩。

Nm

(lb.in)

0.68

(6.0)

1.81

(16.0)

剥线长度

mm

(in)

6 ... 7

(0.24 ... 0.28)

8 ... 9

(0.31 ... 0.35)

端子允许接入多股线和刚性导线。如果可能请使用线端箍。

主电源连接的前提条件

请注意以下指示:

o三相设备仅可连接三相电操作。

o预先接通电路保险丝。

o使用外部电源滤波器时,如果外部电源滤波器与设备之间的电线长度超过 200 mm (7.87 in),电线必须屏蔽并且两端接地。

o关于相关 UL 结构的信息请参见章节 UL 508C 和 CSA 的条件

单相设备输出级电源

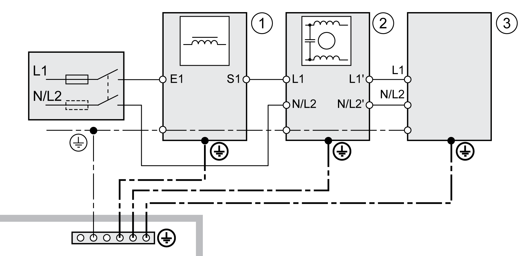
该图显示了单相设备主电源的布线概况。本图中也可看到可用配件外部电源滤波器和电源扼流圈接线。

单相设备主电源概述。

G-SE-0056887.1.gif-high.gif

 

1   电源扼流圈(配件)

2   外部电源滤波器的安装(配件)

3   驱动器

单相设备主电源接线图。

G-SE-0056890.1.gif-high.gif

 

 

o检查网络类型。允许使用的电路配置请参见章节 输出级数据 - 一般说明

o连接电源线。注意接线端子螺钉的不同拧紧力矩。

o请确保插头锁紧装置已锁定在机壳上。

三相设备输出级电源

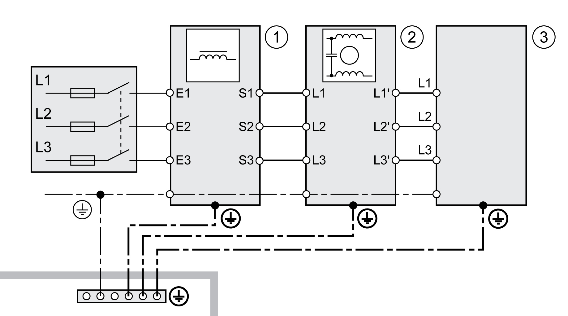
该图显示了三相设备主电源的布线概况。本图中也可看到可用配件外部电源滤波器和电源扼流圈接线。

接线图,三相设备输出级电源

G-SE-0056886.1.gif-high.gif

 

1   电源扼流圈(配件)

2   外部电源滤波器的安装(配件)

3   驱动器

三相设备输出级电源接线图

G-SE-0056905.1.gif-high.gif

 

 

o检查网络类型。允许使用的电路配置请参见章节 输出级数据 - 一般说明

o连接电源线。注意接线端子螺钉的不同拧紧力矩。

o请确保插头锁紧装置已锁定在机壳上。