TM3SAF5R / TM3SAF5RG 接线图

简介

这些安全模块具有用于连接输入和输出的内置可插拔螺钉或卡簧端子块。

接线规则

请参阅接线最佳做法

24 Vdc 电源必须是额定的保护性超低电压 (PELV) 或安全超低电压 (SELV),并且必须符合 IEC/EN 60204-1 要求。这些电源在电源的电气输入和输出电路之间隔离。

Warning_Color.gif警告

过热和火灾隐患

o切勿将设备直接连接到线路电压。

o请仅使用绝缘的 PELV 或 SELV 电源为设备供电。

不遵循上述说明可能导致人员伤亡或设备损坏。

Warning_Color.gif警告

失去控制

按相关文档中的说明,在主要的输入电源线和输出上放置一个合适的额定熔断器。

不遵循上述说明可能导致人员伤亡或设备损坏。

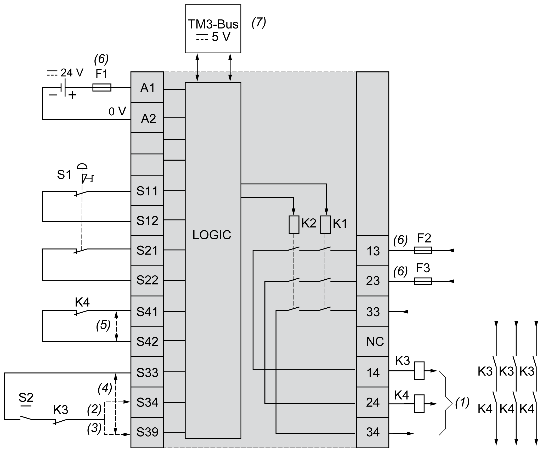
紧急停止接线图

安全条件和启动条件必须有效才能激活输出。

Warning_Color.gif警告

意外的设备操作

不要将监控下启动或无监控启动作为一个安全功能。

不遵循上述说明可能导致人员伤亡或设备损坏。

下图显示 TM3SAF5R• 模块紧急停止接线的示例:

G-SE-0032733.1.gif-high.gif

 

 

S1: 紧急停止开关

S2: 启动开关

(1) 安全输出

(2) 监控下启动1

(3) 无监控启动1

(4) 对于自动启动1,直接连接 [S33] 和 [S39] 端子

(5) 第二个外部设备监控1 通道。连接 [S41] 和 [S42] 端子(如果未使用)。

(6) 熔断器。请参阅熔断器值的电气特性。

(7) 非安全相关 TM3 总线与 Logic Controller 通讯

1 有关详细信息,请参阅用于软件平台的《TM3 扩展模块编程指南》。

Warning_Color.gif警告

意外的设备操作

请勿对任何功能性安全相关任务使用通过 TM3 总线 传输的数据。

不遵循上述说明可能导致人员伤亡或设备损坏。

Warning_Color.gif警告

意外的设备操作

请勿将电缆连接至未使用的端子和/或标记为“No Connection (N.C.)”的端子。

不遵循上述说明可能导致人员伤亡或设备损坏。

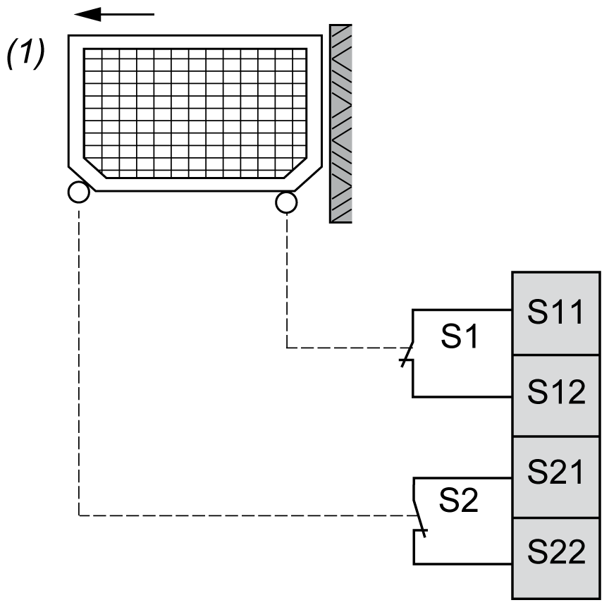
防护装置接线

下图显示安全模块输入 2 个通道防护装置接线的示例:

G-SE-0032734.1.gif-high.gif

 

(1)   防护装置