TMC4TI2 接线图

简介

此扩展板具有一个可插拔弹簧端子块,用于连接输入。

接线

请参阅接线优化方法

接线图

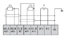
下图显示了 3 线 RTD 和热电偶探测器的连接示例:

G-SE-0031628.1.gif-high.gif

 

(1):   RTD

(2):   热电偶

LIFO/FIFO:   外部电源

下图显示了一对 3 线 RTD 连接的示例:

G-SE-0056064.1.jpg

 

(1):   RTD

LIFO/FIFO:   外部电源

下图显示了一对热电偶连接的示例:

G-SE-0047126.1.gif-high.gif

 

(2):   热电偶

LIFO/FIFO:   外部电源

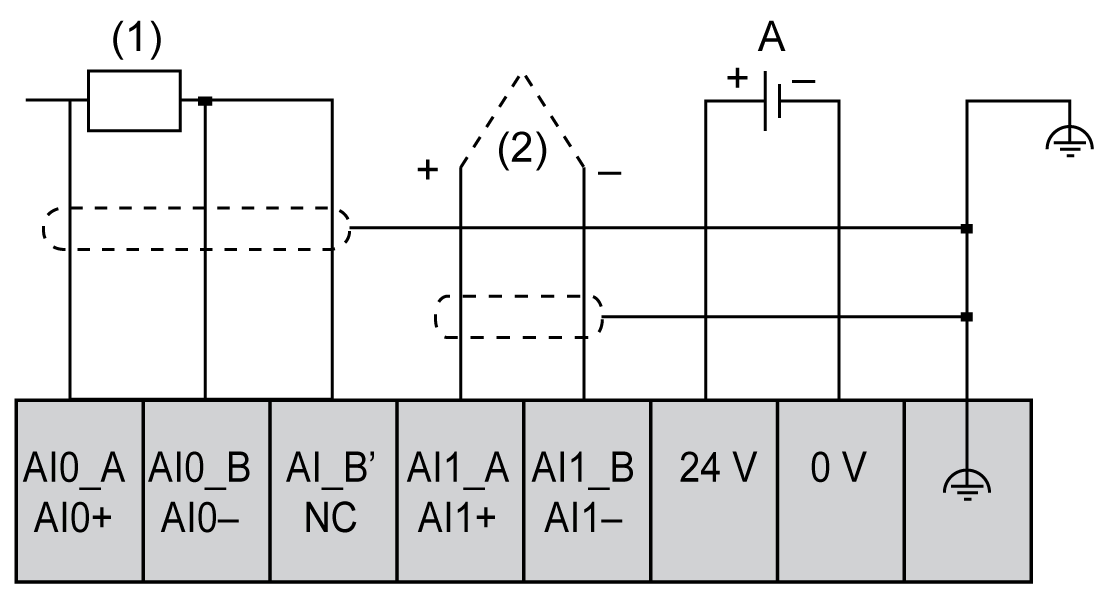
下图显示了 4 线 RTD 和热电偶的连接示例:

G-SE-0047123.1.gif-high.gif

 

(1):   RTD

(2):   热电偶

LIFO/FIFO:   外部电源

注意: 每次输入均可连接至 RTD 或热电偶探测器。

Warning_Color.gif警告

意外的设备操作

请勿将电缆连接至未使用的端子和/或标记为“No Connection (N.C.)”的端子。

不遵循上述说明可能导致人员伤亡或设备损坏。