Configurazione, installazione e manutenzione - Verifica del cablaggio

Panoramica generale

Per applicazioni miste per il Lexium 62 varianti C/D/G e Lexium 62 varianti E/F con collegamento Inverter Enable a due canali (Proposta di applicazione varianti C/D/G a canale singolo ponticellato e Proposta di applicazione varianti C/D/G a due canali con cablaggio protetto) per il Lexium 62 varianti C/D/G con un collegamento Inverter Enable a due canali, occorre eseguire una verifica del cablaggio come indicato di seguito.

Determinare lo stato di Inverter Enable in EcoStruxure Machine Expert Logic Builder

Lo stato dell'ingresso Inverter Enable è visualizzato in EcoStruxure Machine Expert Logic Builder e può essere utilizzato per determinare se gli azionamenti sono collegati correttamente a 1 canale o 2 canali.

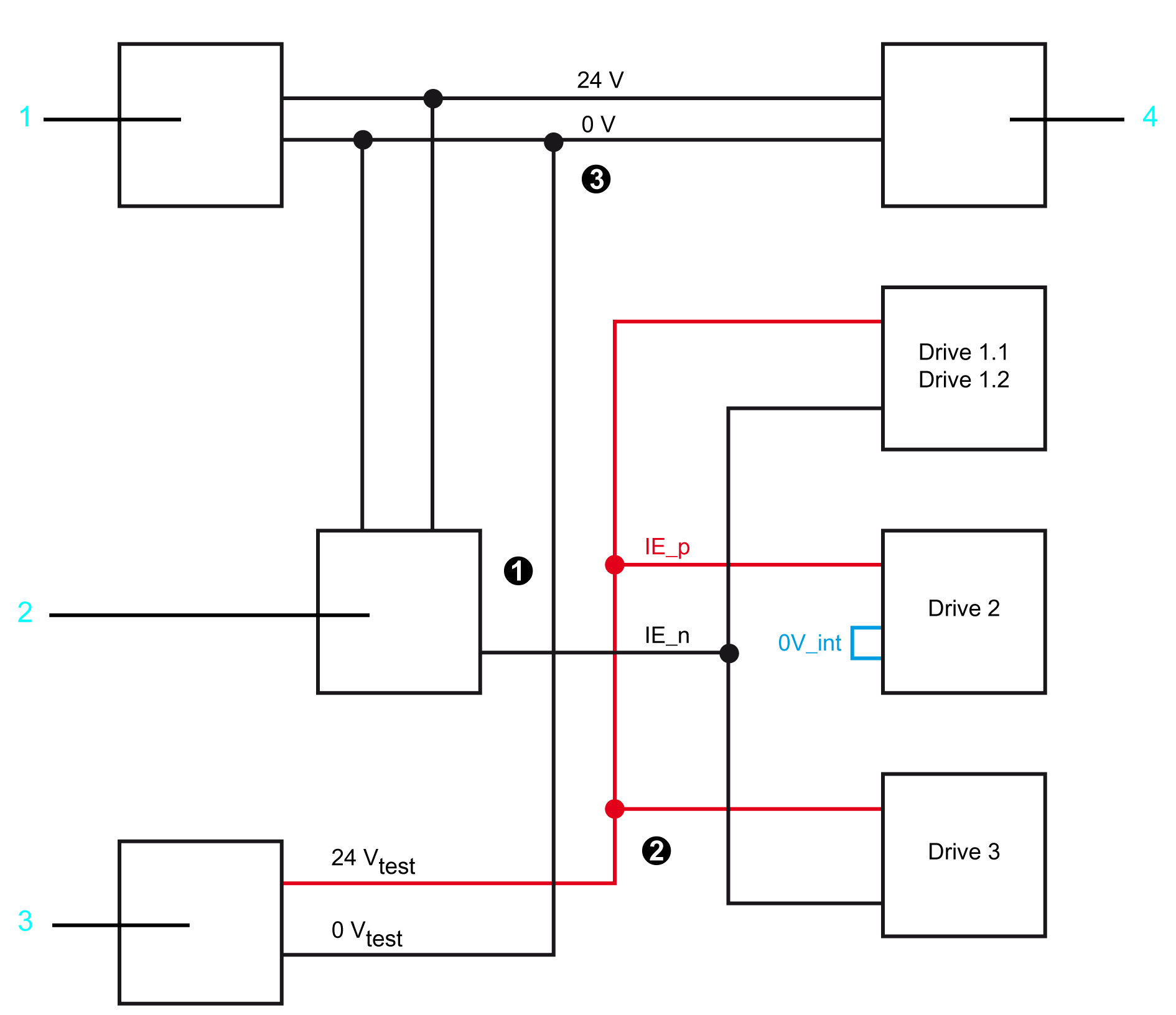
1 Alimentatore 24 V

2 Dispositivo di commutazione di sicurezza

3 Alimentatore 24 V esterno

4 Lexium 62 Power Supply

Procedura di misurazione

Step

Azione

1

Cablare i canali Inverter Enable e collegare i connettori agli azionamenti.

2

Scollegare la connessione IE_p (24 V) degli azionamenti sul dispositivo di commutazione di sicurezza (vedere passo 1 nell'immagine seguente).

3

Collegare la connessione IE_p scollegata (24 V) a un alimentatore esterno da 24 V (vedere passo 2 nell'immagine seguente).

4

Il polo negativo del Lexium 62 Power Supply deve essere collegato a 0 V degli azionamenti (Connettore CN5 PIN 1 del Lexium 62 Power Supply (vedere passo 3 nell'immagine seguente)).

Verifica del cablaggio a 1 canale

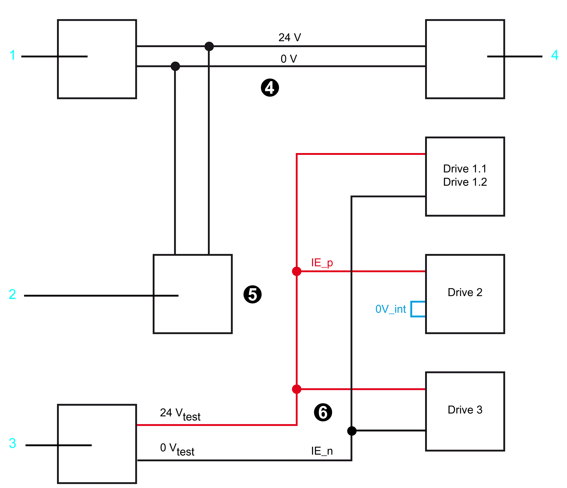
1 Alimentatore 24 V

2 Dispositivo di commutazione di sicurezza

3 Alimentatore 24 V esterno

4 Lexium 62 Power Supply

Step

Azione

5

Verificare lo stato IE (Inverter Enable) di ogni singolo azionamento in EcoStruxure Machine Expert Logic Builder.

Risultato: in questo caso, possono essere attivi solo gli azionamenti a 1 canale.

6

Registrare i valori dello stato in una tabella. Se necessario, è inoltre possibile creare schermate in EcoStruxure Machine Expert Logic Builder.

Esempio: variante a 1 canale

Azionamento

Connessione

Stato previsto

Stato visualizzato

1.1

2 canali

Off / 0

1.2

2 canali

Off / 0

2

1 canale

On / 1

3

2 canali

Off / 0

Questa tabella viene utilizzata come esempio per la documentazione ed è obbligatorio compilarla.

Nella colonna "Stato visualizzato", si deve immettere il risultato, leggibile in EcoStruxure Machine Expert Logic Builder.

Step

Azione

7

Rimuovere la connessione 0 V tra il Lexium 62 Power Supply e l'alimentatore esterno (vedere passo 4 nell'immagine seguente).

8

Scollegare la connessione IE_n (0 V) degli azionamenti a 2 canali sul dispositivo di commutazione di sicurezza (vedere passo 5 nell'immagine seguente).

9

Collegare la connessione IE_n scollegata (0 V) all'alimentatore esterno da 24 V (vedere passo 6 nell'immagine seguente).

Verifica del cablaggio a 2 canali

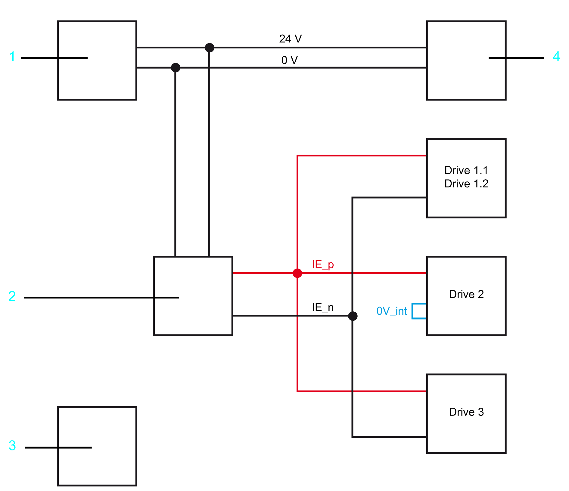
1 Alimentatore 24 V

2 Dispositivo di commutazione di sicurezza

3 Alimentatore 24 V esterno

4 Lexium 62 Power Supply

Step

Azione

1

Verificare lo stato IE (Inverter Enable) di ogni singolo azionamento in EcoStruxure Machine Expert Logic Builder.

Risultato: in questo caso, possono essere attivi solo gli azionamenti a 2 canali.

2

Registrare i valori dello stato in una tabella. Se necessario, è inoltre possibile creare schermate in EcoStruxure Machine Expert Logic Builder.

Esempio: variante a 2 canali

Azionamento

Connessione

Stato previsto

Stato visualizzato

1.1

2 canali

On / 1

1.2

2 canali

On / 1

2

1 canale

Off / 0

3

2 canali

On / 1

Questa tabella viene utilizzata come esempio per la documentazione ed è obbligatorio compilarla.

Nella colonna "Stato visualizzato", si deve immettere il risultato, leggibile in EcoStruxure Machine Expert Logic Builder.

Step

Azione

3

Collegare di nuovo la connessione IE_n al dispositivo di commutazione di protezione.

4

Collegare la connessione IE_p (24 V) al dispositivo di commutazione di protezione.

NOTA: il produttore della macchina deve conservare le tabelle con i documenti della macchina come riferimento.
NOTA: verificare il cablaggio ogni volta che si sostituisce un componente di sicurezza.