La versione 1.1 di EcoStruxure Machine Expert non supporta i controllori M258, LMC058 e LMC078.

Diramazione e bobine di sospensione in FBD/LD/IL

Panoramica

In una rete Diagramma a blocchi funzione o Diagramma Ladder, una derivazione o bobina di sospensione suddivide la linea di elaborazione a partire dalla posizione corrente del cursore. La linea di elaborazione prosegue quindi in due sottoreti, che verranno eseguite una dopo l'altra dall'alto verso il basso. Ogni sottorete può includere un'ulteriore derivazione, con conseguente creazione di più derivazioni nell'ambito della stessa rete.

Ogni sottorete ha un marcatore proprio, rappresentato dal simbolo di un rettangolo in verticale. Selezionandolo (posizione del cursore 11) è possibile eseguire azioni sulla relativa parte della derivazione.

Marcatori delle derivazioni

G-SE-0025785.1.gif-high.gif

 

 

In FBD, per inserire una derivazione utilizzare il comando Inserire una diramazione. In alternativa, trascinare l'elemento dagli Strumenti. Per le possibili posizioni di inserimento, vedere la descrizione del comando Inserire una diramazione.

NOTA: Nelle sottoreti i comandi Taglia e Incolla non sono implementati.

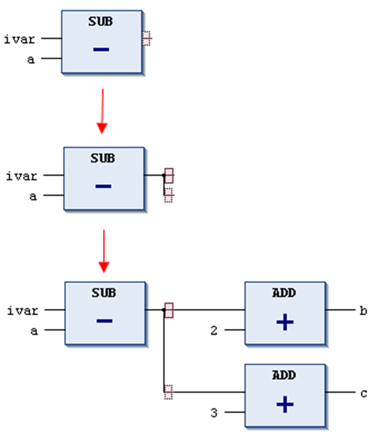
Nell'esempio che segue, una derivazione è stata inserita all'uscita del modulo SUB. In tal modo, si ottengono due sottoreti, ognuna selezionabile mediante il relativo marcatore. Successivamente, a ogni sottorete è stato aggiunto un modulo ADD.

Rete in FBD con derivazione inserita

G-SE-0025786.1.gif-high.gif

 

 

Per eliminare una sottorete, è necessario rimuovere prima tutti i relativi elementi, cioè tutti gli elementi posizionati a destra del marcatore della sottorete. Selezionare quindi il marcatore ed eseguire il normale comando Elimina o premere il tasto CANC.

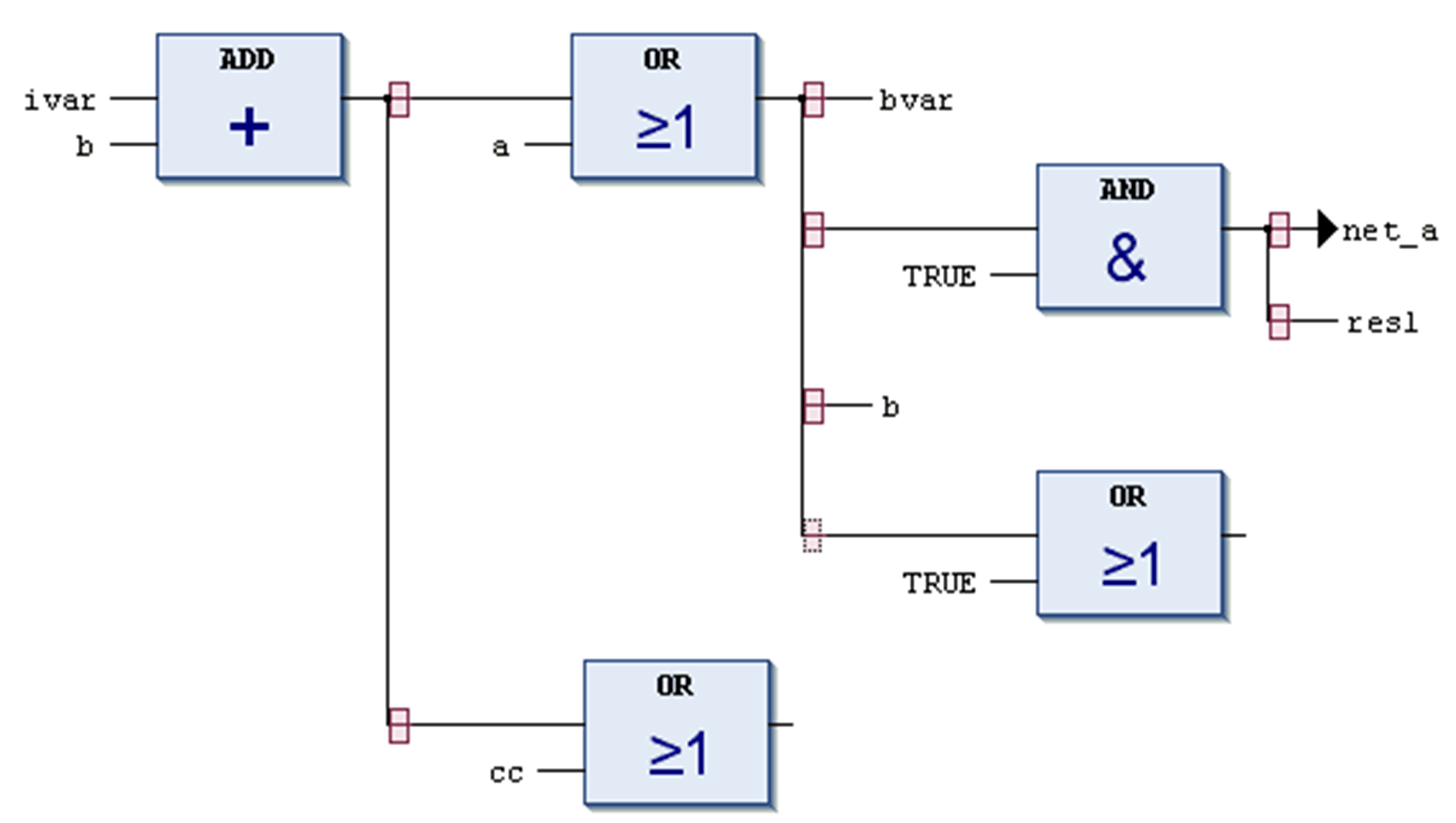
Nell'immagine seguente, è necessario eliminare l'elemento OR con tre ingressi prima di poter selezionare ed eliminare il marcatore della sottorete più in basso.

Eliminazione di derivazioni o sottoreti

G-SE-0025784.1.gif-high.gif

 

 

Esecuzione in modalità online

Le derivazioni particolari vengono eseguite da sinistra a destra e dall'alto verso il basso.

IL (Instruction List)

Il linguaggio IL non supporta le reti con derivazioni, che restano nella rappresentazione originale.

Derivazioni parallele

Le derivazioni parallele permettono di impostare la valutazione delle derivazioni parallele nelle reti ladder.

A differenza delle derivazioni aperte, senza punto di giunzione, le derivazioni parallele sono chiuse. In comune hanno i punti di suddivisione e di giunzione.